Nachruf auf Prof. Dr.-Ing. habil. Lothar Wagner
Das Institut für Werkstoffkunde und Werkstofftechnik der Technischen Universität Clausthal trauert um Prof. Dr.-Ing. habil. Lothar Wagner, der am 15. Juni 2025 im Alter von 75 Jahren verstorben ist. Von 2003 bis 2019 war er als Professor für Angewandte Werkstoffkunde und Werkstofftechnik an unserem Haus tätig.
Prof. Wagner studierte Maschinenbau mit Schwerpunkt Werkstofftechnik an der Ruhr-Universität Bochum, wo er auch promovierte. Nach einem Forschungsaufenthalt an der University of Rochester (USA) habilitierte er sich 1989 an der TU Hamburg-Harburg. Von 1993 bis 2002 war er Professor an der BTU Cottbus, bevor er an die TU Clausthal berufen wurde. Dort leitete er ab 2005 das Institut für Werkstoffkunde und Werkstofftechnik.
Sein wissenschaftlicher Schwerpunkt lag auf Leichtmetallwerkstoffen auf Basis von Titan, Aluminium und Magnesium. Er forschte insbesondere zur mechanischen Oberflächenverfestigung, zur Rissausbreitung in Gradientenwerkstoffen sowie zur Mikrostruktur- und Texturentwicklung zur Verbesserung der Schwingfestigkeit. Seine Arbeiten verbanden Grundlagenforschung mit industrieller Anwendung.
Prof. Wagner war international vernetzt: Er war Adjunct Professor an der Clemson University (USA) und Gastprofessor an Universitäten in China. Er engagierte sich in zahlreichen wissenschaftlichen Gremien, u. a. als Vorsitzender der DGM-Fachausschüsse „Titan“ und „Mechanische Oberflächenbehandlungen“ sowie als Mitglied im International Organizing Committee (IOC) Titanium.
Für seine Leistungen wurde er u. a. mit dem Feodor-Lynen-Stipendium der Alexander-von-Humboldt-Stiftung, dem Teaching Award der BTU Cottbus und dem Titel „Shot Peener of the Year“ ausgezeichnet.
Mit Prof. Wagner verlieren wir einen international anerkannten Wissenschaftler, einen engagierten Hochschullehrer und einen geschätzten Kollegen. Sein Wirken wird in Forschung und Lehre fortwirken.
Das Institut für Werkstoffkunde und Werkstofftechnik
Technische Universität Clausthal
Mission
In einer Ära, die von Klimawandel, Ressourcenknappheit und geopolitischer Unsicherheit geprägt ist, sind wir der Überzeugung, dass die Materialwissenschaften und das Ingenieurwesen neue Lösungen hervorbringen müssen – Lösungen, die sowohl höchste ingenieurtechnische Leistungsfähigkeit bieten als auch Teil ökologischer Systeme werden und sich harmonisch in diese einfügen. Wir betrachten dieses Streben nicht nur als Treiber für Innovation, sondern auch als Verantwortung gegenüber kommenden Generationen.
Deshalb betreiben wir umfassende Forschung zum Verhalten solcher Materialien. Unser Ziel ist es, innovative Lösungen zu entwickeln, die den Herausforderungen von heute begegnen und zugleich das Fundament für die nächste Entwicklungsstufe legen: konstruierte lebende Materialien, die reagieren, sich anpassen und letztlich „denken“ können – ähnlich wie natürliche Systeme.
Unsere Arbeit orientiert sich an den Prinzipien der Zirkularität, Ressourceneffizienz und ökologischen Verantwortung, während sie zugleich den Bedürfnissen alternder Gesellschaften und widerstandsfähiger Infrastrukturen gerecht wird.
Durch interdisziplinäre Forschung, praxisorientierte Lehre sowie Zusammenarbeit mit Industrie und Gesellschaft befähigen wir eine neue Generation von Wissenschaftler:innen und Ingenieur:innen, den Übergang in eine regenerative Hightech-Zukunft zu gestalten. Gemeinsam entwickeln wir Materialien – und Denkweisen – für eine bessere Welt.
Forschung
Forschungsbeschreibung

Das Institut für Werkstoffwissenschaft und Werkstofftechnik der TU Clausthal erforscht umfassend das Verhalten von Materialien und Werkstoffen. Unser Ziel ist es, innovative Materialien und Prozesse zu ermöglichen, die den Prinzipien der Kreislaufwirtschaft, Ressourceneffizienz und ökologischen Verantwortung folgen sowie eine alternde Gesellschaft unterstützen.
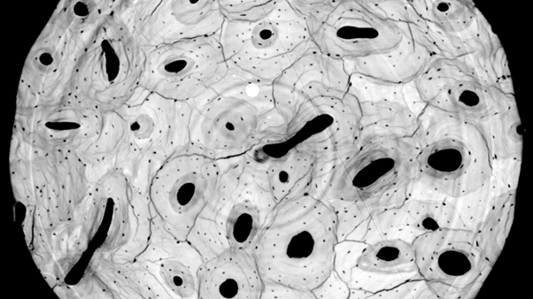
Nun liegt ein neuer Schwerpunkt auf der Digitalisierung in der Materialwissenschaft und Werkstofftechnik. Dazu gehört die Untersuchung biologischer Gewebe und Organe mit besonderem Fokus auf mineralverstärkte Biopolymere, Biokeramiken, Biogläser und deren Komposite. Mineralisierte Materialarchitekturen stehen dabei im Zentrum unseres Interesses. Diese Materialien sind intrinsisch zirkulär, erzeugen keinen nicht-wiederverwendbaren Abfall und verfügen über Eigenschaften, die technischen Materialien häufig überlegen sind.
Zur Untersuchung der Materialeigenschaften setzen wir eine Kombination aus innovativen Experimenten, numerischen Methoden und mathematischen Modellen ein – von der molekularen bis zur makroskopischen Skala. Die digitale Repräsentation von Materialarchitekturen sowie Algorithmen zur Datenverarbeitung und -interpretation sind dabei essenzielle Werkzeuge, um die Zusammenhänge zwischen Prozess, Funktion und Struktur zu verstehen – sowohl in technischen als auch in pathophysiologischen (biomedizinischen) Kontexten. Unsere Untersuchungen umfassen etablierte Verfahren wie XRD, EDX, µCT, REM und RFA ebenso wie hochauflösende Analysen an Großforschungsanlagen wie Synchrotronen.
Dabei verlieren wir unsere wissenschaftliche Herkunft nicht aus dem Blick.
Die Neuausrichtung auf digitale und bioinspirierte Materialforschung ergänzt und stärkt unsere traditionellen Forschungsschwerpunkte, ohne sie zu ersetzen. In Wertschätzung unseres wissenschaftlichen Erbes setzen wir die Untersuchung von Mikrostruktur-Eigenschafts-Beziehungen in metallischen Werkstoffen fort – insbesondere bei Leichtmetallen wie Aluminium, Magnesium und Titan, aber auch bei Kupfer- und Eisenwerkstoffen.
Unsere Arbeiten konzentrieren sich dabei auf Festigkeit unter verschiedenen Belastungen – etwa statisch (Kriechverhalten), quasi-statisch (Zug und Druck), zyklisch (Dauerschwingprüfungen) und dynamisch (Kerbschlagbiegeprüfungen). Weitere Themen sind das Dämpfungsverhalten weichmagnetischer Werkstoffe, die Langzeitformstabilität sowie die Kornfeinung von Gusswerkstoffen. Auch die Optimierung des Dauerschwingverhaltens durch mechanische Oberflächenverfestigung (z. B. Kugelstrahlen, Festwalzen) sowie das elektrochemische Korrosionsverhalten metallischer Werkstoffe sind Gegenstand intensiver Forschung. Unsere umfassenden Analysemethoden – darunter Raster- und Transmissionselektronenmikroskopie – kommen zudem in praxisorientierten Schadensanalysen zum Einsatz. Die daraus gewonnenen Erkenntnisse fließen direkt in maßgeschneiderte Verbesserungsansätze für industrielle Anwendungen ein.
Durch interdisziplinäre Forschung, praxisnahe Ausbildung und enge Zusammenarbeit mit Industrie und Gesellschaft befähigen wir eine neue Generation von Wissenschaftlerinnen und Ingenieurinnen, den Wandel hin zu einer regenerativen Hightech-Gesellschaft aktiv mitzugestalten.
Gemeinsam entwickeln wir Materialien – und Denkweisen – für eine bessere Welt.
Forschungsbereiche
Werkstofftechnik
Festigkeitseigenschaften; Dämpfungsverhalten; Langzeit-Maßstabilität; Kornfeinung; Kugelstrahlen usw
Gewebebiomechanik
Design, Synthese und Konstruktion von Materialien, die von biologischen Systemen inspiriert sind
Computergestützte Materialwissenschaft
Modellierung zum Verständnis und zur Vorhersage von Materialeigenschaften und -verhalten
Wissenschaftliche Services
Nähere Informationen zu den angebotenen Leistungen finden Sie hier
Über uns





